modelling and functionality of a vise
Showcasing the made vise with full render and functionality 🗜️
Video explanation of the modelling process done!

Animated image of modelling done with utilized canvas.






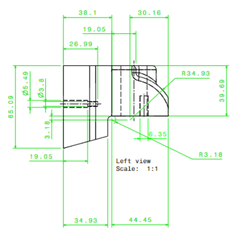
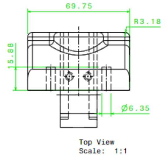
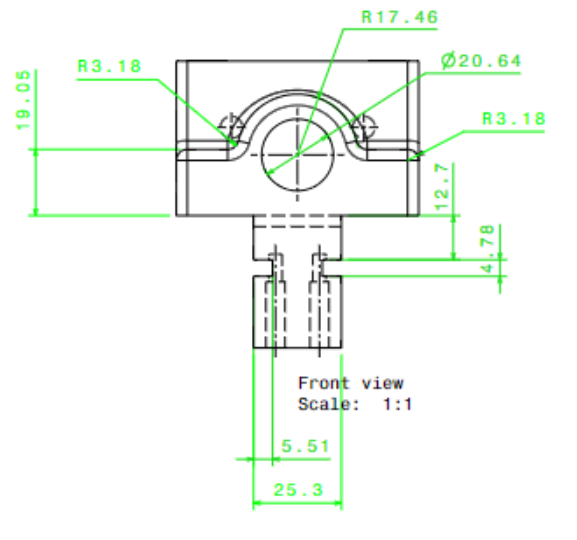
Different references checked. Later some of the conversions of this drawings was not utilized as it does not follow the intended original ASME drawing. Problem on changing from ISO to ASME is resolved. Final product without render is also provided.
Utilized design drawing for the vise in line with ASME conventions.